当前位置:首页>专题论坛>全部
-
·
俺的新年礼物....雀眼木的PROAC RESPONSE 4
(作者:feng 时间: 点击数: 875)
- 收藏
-
-
·
奥巴马总统专车解密:轿车、卡车和坦克混合体
(作者:ldh 时间: 点击数: 808)
- 收藏
-
奥巴马的“总统专车”是一台名副其实的“油老虎”,耗油量十分惊人。(来源:人民网)
美国当选总统贝拉克·奥巴马定于本月20日走马上任。届时,他会乘一辆“轿车、卡车和坦克混合体”的豪华专车,迎接世人的目光。
汽车制造商6日首次揭开这辆新款总统专车神秘面纱。
一名当过总统司机的特工说,坐在这样一辆车中,奥巴马可能心态复杂。
“带轮堡垒”
作为这款车的制造商,美国通用汽车公司为奥巴马定做好这辆2009款卡迪拉克总统专车。
通用公司女发言人乔安妮·克雷尔说,这款新车“并非以往任何一辆车型的直接升级版……它依照周密、特殊的质量指标制造”。
通用公司自20世纪初期开始为美国总统量身定做轿车以及其他特种车辆。
为保护美国首位非洲裔总统人身安全,这款新车格外注重安全性能,譬如配置厚约20厘米的车门。
一些美国记者调侃说,这辆车能抵御“一颗小行星直接撞击”。
克雷尔对这番评论一笑置之。她开玩笑说:“你要是想要,它还能给你杯咖啡呢。”
作为豪华轿车业内人士,“大使豪华轿车公司”首席执行官肯·卢奇说,特工处希望总统专车能长时间抵御袭击。
“他们防范持续性袭击。这种暴力袭击远非安保人员用武器就能解决,”他说,因此,奥巴马的总统专车“实际就是一座装车轮的流动堡垒”。
隔而不绝
退休特工乔·芬克说,奥巴马坐在这样一辆总统专车中,可能心情矛盾。
“他会惊诧,这辆车载他时竟能成一个硬茧。各种日常噪声消失。在这个保护层中,他彻底与外界隔绝。”
“同时,他还会惊诧于这辆车的通信性能:电话、卫星、互联网……一切通信工具尽由他指尖掌控。”
作为前总统的司机,芬克颇为理解总统这种微妙感受:“他一方面感到与世隔绝,另一方面却能轻易与世界各地取得联系。”
公众当然无法感受这辆新车的上述性能,因而更多能从外观角度评判它。
美国有线电视新闻网登出这辆车的曝光照片。照片中,这辆车头部喷黑漆,部分车身和车尾露出灰色底漆。
一名汽车发烧友就照片评论说:“丑得要命。难道我们不能为总统造出一辆火辣点的座驾吗?”
“天啊,”另一人留言说:“他们还不如让总统坐‘艾布拉姆斯’主战坦克四处转呢。”
特工掌舵
通用公司已把这辆总统专车交付美国特工处。
按计划,这辆车会在20日总统就职典礼游行中初显神通。届时,特工人员会驾驶它,载奥巴马沿美国首都华盛顿宾夕法尼亚大街行进大约3.2公里。
芬克曾为前总统比尔·克林顿驾车,体验过这种“为总统掌舵”的责任和荣耀。
他说:“有时总统进车后还会处理事务、譬如读资料、看报纸、与地方显贵或内阁级官员谈话。”
“有时他们对体育赛事感兴趣、玩填字游戏。他们还会对身边特工产生兴趣,与特工们、尤其是坐在前排座位上的特工主管聊天。”
芬克说,他为克林顿开车期间未出意外。“我非常幸运,”他说,“一切顺利。”
“当你平安开完一天车,你会自豪地告诉自己,‘我与美国总统同处一车1小时、2小时,载他从一地安全抵达另一地’。”
-
·
DH老哥,有事请教,
(作者:小久 时间: 点击数: 789)
- 收藏
-
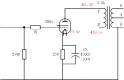
807单端,一个声道末极如图,开机正常,过3分钟后突然屏红,监控阴极对地电压,发现开机到20V后稳定,过了几分钟后突然电压上升,20-30-40,只能关机。外围元件正常,一堆807管子中某一个换过来就没有问题,(暗处看的出红屏)。但是其他几只807管上去没有几分钟都有这个现象。
开始怀疑自激,807屏极已经用铜线绕了10圈做了个电感。但是问题照旧。
-
·
这回是真的好了,上来好快啊,,,
(作者:zhanzhao 时间: 点击数: 582)
- 收藏
-
坏人总是喜欢盯上有名气的网站,他们专门破坏别人的域名,让你打不开你的网或者速度很慢,然后他再出面卖给你所谓杀毒软件,或者逼你把域名卖的了。例如这家---www.8u.cn。就是专门干着万恶勾当生意的。大家千万小心。
-
·
呵呵,上来竟然这么快了。谢谢啦。。。。。。
(作者:llhu 时间: 点击数: 845)
- 收藏
-
-
·
斑竹和各位朋友新年快乐,身体健康!
(作者:llhu 时间: 点击数: 1344)
- 收藏
-
-
·
终于又能上来了、、刘大哥新年好!
(作者:kell 时间: 点击数: 905)
- 收藏
-
祝大家新年快乐!身体安康、发财!!
-
·
祝刘兄新年快乐!万事如意!
(作者:xjhmwkz 时间: 点击数: 1411)
- 收藏
-
-
·
俺的新年礼物....雀眼木的PROAC RESPONSE 4
(作者:feng 时间: 点击数: 961)
- 收藏
-
