- · 请教L版主(作者:irf9610 时间: 点击数: 108)
-
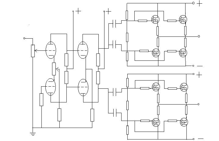
此功放架构如何?
·
(作者:ldh 时间:2003-12-13 08:36:30)- 但是,这种结构最大的缺点在于低频质量不容易做好,偶合电容小了低频下潜不够,大了高频的延伸层次会打折扣,电容本身的品质对声音影响极大,一般的索伦,威玛在这里声音一般,上到补品又价格贼贵。
这种结构的到相电路直接驱动后面的场效应管从理论上讲也没有什么不妥,但实际上驱动能力不够,低频慢散拖,虽说场效应管是压控器件,不需要多大的驱动电流,但实践证明这种管子的结电容偏大,等效为在到相级对地并接了一个电容,管子并联越多等效电容越大,到相级负载就越重,高低频两端的延伸就越不理想。作为一种解决的有效方法,可在零DB电流放大级插入一级中功率管的推动级,管子可采用J76/K213。其优点自行分析吧。
个人之见,仅供参考。- 但是,这种结构最大的缺点在于低频质量不容易做好,偶合电容小了低频下潜不够,大了高频的延伸层次会打折扣,电容本身的品质对声音影响极大,一般的索伦,威玛在这里声音一般,上到补品又价格贼贵。
