- · 小弟设计了一款平衡后级线路,请各位前辈指点,小弟不胜感激。(作者:孤影临风 时间: 点击数: 257)
-
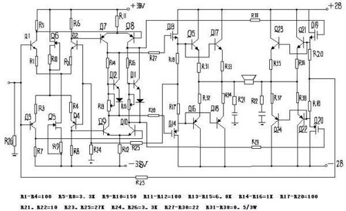
小弟设计了一款平衡后级线路,电压放大部分为+ -36V电源供电,末级为48V单电源悬浮供电,不知是否可行,请各位前辈指点,小弟不胜感激。
·
(作者:孤影临风 时间:2002-10-21 09:14:24)·
(作者:孤影临风 时间:2002-10-21 09:15:53)·
(作者:ldh 时间:2002-10-22 00:08:53)·
(作者:孤影临风 时间:2002-10-22 01:49:02)·
(作者:dadoudou 时间:2002-10-22 08:33:18)- 总反馈有直流!
·
(作者:dadoudou 时间:2002-10-22 08:41:49)·
(作者:dadoudou 时间:2002-10-22 08:46:04)·
(作者:孤影临风 时间:2002-10-22 11:33:19)- 谢大哥为小弟指点,小弟并不是搞线路的,只是个业余发烧友,小弟构思这种线路的原因有以下两点:
1。想利用手头四台素质不错的48V 400W稳压电源为电流级供电。如采用正负48V电源模式,功放管的安全问题较难解决,以前也和LDH大哥探讨过,如想降低电源电压难度太大。2。想制作纯甲类功放,末机采用桥式可降低功放管供耗,保证功放管安全。对于本线路的反馈问题一直是小弟头疼的问题,请大哥为小弟指点解决办法,小弟不胜感激!·
(作者:dadoudou 时间:2002-10-22 11:58:03)- 不建议采用桥接输出电路,那种电路虽然功率会增加4倍,但输出阻抗增加,功放的阻尼系数降低,这样功放对低音控制能力会大大降低,有些500W输出的功放其控制能力有时还不如100W的功放,原因就是在这里。鉴别功放的优劣,功放对负载的控制能力是很重要的标准之一。
你用正负48V电源,按我的观点,应该说不算高,功放管怎么会有问题?- 不建议采用桥接输出电路,那种电路虽然功率会增加4倍,但输出阻抗增加,功放的阻尼系数降低,这样功放对低音控制能力会大大降低,有些500W输出的功放其控制能力有时还不如100W的功放,原因就是在这里。鉴别功放的优劣,功放对负载的控制能力是很重要的标准之一。
- 谢大哥为小弟指点,小弟并不是搞线路的,只是个业余发烧友,小弟构思这种线路的原因有以下两点:
·
(作者:sniper killer 时间:2002-10-22 07:35:38)
