当前位置:首页>专题论坛>全部
-
·
请教LDH大哥
(作者:孤影临风 时间: 点击数: 128)
- 收藏
-
资料上介绍晶体管的BVCBo值是在室温25度时测量的典型值,而实际晶体管的BVCBo值则是随环境温度的升高而减小,在晶体管温升达到最高允许温度时BVCBo几乎减小到原来(25度)值的二分之一左右。小弟已向大哥请教过,准备用+-48V稳压电源供电,功放管用MJ11032/33,功放管的BVCBo为120V,在最大输出的时功放管承受的BVCBo将为90V左右,如功放调整为甲类或高偏流甲乙类,其温度一定较高,在最大输出时功放管是否安全,望LDH大哥为小弟指点迷津,小弟拜谢!
·
(作者:ldh 时间:2002-10-07 23:39:11)- 当温度升高时,晶体管的击穿耐压也响应的下降。要保证管子工作在可靠安全区域一是使用更高耐压管子,二是增大散热器包络面积,尽量降低管子的表面温度。以你的管子,一定要制作纯A类时,最好使工作电压不超过正负36V,并控制电路的最大静态电流,让散热器的最高温度(环境温度35度时)不得超过70度。才有一定可靠的安全工作范围。
·
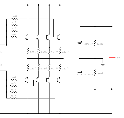
(作者:孤影临风 时间:2002-10-25 16:31:22)- 按如图电容分压的办法取双电源是否可行,有何缺点,请大哥指点。
·
(作者:LDH 时间:2002-10-25 18:27:44)- 缺点----一个变形的0TL输出电路。电容组极大的影响了功放的性能。你的稳压电源即便有千般好,都让这电容组给摆平了。
我说老兄啊,你的思路有点问题,干吗一定要使用上你那几个稳压电源?为这几个稳压电源到处找电路费劲脑汁。本身稳压电源的功过就有争议,在目前不惜一切代价追求HIFI的潮流下,如果一个稳压电源可以明显比一个设计用料优良的常规整流电源声音好的话,早就被大量采用了。因此大可不必绞尽脑汁的一切服从这两个稳压电源,有些本未倒置了。
再说,如果你的稳压电源是工业用开关电源的话,用来制作功放肯定弊大于利。除非是专为音响开发的高速并联稳压电源。- 缺点----一个变形的0TL输出电路。电容组极大的影响了功放的性能。你的稳压电源即便有千般好,都让这电容组给摆平了。
-
·
请问L帮主,油侵线的问题??
(作者:blueapple 时间: 点击数: 71)
- 收藏
-
是这样把六根银线绕在一根AQ线上的吗???
-
·
请教各位,哪儿有脚钉卖?
(作者:wyf12345 时间: 点击数: 100)
- 收藏
-
我想买几个脚钉,然后在石材厂切割几块上好的花岗岩,自己DIY一个音响架——本来准备买君子的架皇机架的,无赖价格昂贵难以承受,故出此下策。请各位帮帮忙!
-
·
工作至清晨,来点音乐轻松轻松
(作者:Jim Wang 时间: 点击数: 73)
- 收藏
-
http://www.rathergood.com/independent_woman/
-
·
proac t2000s音箱
(作者:喝醉的鱼 时间: 点击数: 64)
- 收藏
-
proac t2000s音箱
-
·
请刘老师推荐几款带平衡接口的国产胆前级,多谢!
(作者:wowow 时间: 点击数: 83)
- 收藏
-
-
·
强烈建议版主或其它大侠开FTP.
(作者:hpy1111 时间: 点击数: 63)
- 收藏
-
对发烧友来说,器材只是一次性投资,而后的软件费用才是一个长期的负担。鉴于当今国人的收入水平和原版唱片的价格,并且除大城市外,购买也不是很方便大。多数人都不能拥有很多的唱片,于是有些就只能拿着有限的几张唱片以比较器材为乐,实在有违发烧本意。
各位大侠象penpie兄那样开FTP,提供优质软件下载服务,实在是功德无量的好事。至于版主所虑的版权问题,完全可学有些软件下载站,在下载页加句“本站提供音乐仅供试听,请下载X天内删除,购买正版”云云。不会有什么麻烦,最坏的也不过是被勒令停止下载而已。还可向唱片商收广告费呢。:-)
-
·
还有问题请教班主,麻烦你了.
(作者:bazy 时间: 点击数: 59)
- 收藏
-
我的箱子高音是申士宝8513,低音是西雅士5寸子弹头透明盆,我的功放是单声道4只300B,前级是禾田茂氏改良版
.主观上听有点高音太亮,中频不够醇厚,宽阔,请问:
是打配不合理还是我的审美要求不一样,有必要换功放吗?换845的单声道行吗?
再次表示感谢!!!
-
·
欧博的 R2.2 平衡胆前级。
(作者:li 时间: 点击数: 108)
- 收藏
-
·
(作者:li 时间:2002-10-23 08:36:34)·
(作者:audiochina 时间:2002-10-23 08:39:50)- 那张照片,我以为是他带过来的,晚上到福州市场一看到处都有,怪不得住桑那比酒店便宜
·
(作者:audiochina 时间:2002-10-23 10:09:19)- 住桑那还真有此事情呢,福州这个地方很好,晚上弄一碗肉燕吃很好啊,武汉没有卖的
·
(作者:li 时间:2002-10-23 11:41:55)- 我是出差回来赶上的大展,快要收摊了,所以比较匆忙,也没太认真听(也没办法认真听,乱!),没有办法汇报更详细深入的情况,不当之处望谅。
·
(作者:audiochina 时间:2002-10-23 11:55:54)- 和别人一起打地铺的,还好
LI兄说后面的话就见怪了,你痛骂任何一家我都不在乎,反而希望两人观点不一样,才热闹呢
本次大展人数实在少,主办单位也没有办法。
福州发烧友少吗?- 和别人一起打地铺的,还好
·
(作者:allegro 时间:2002-10-23 10:54:34)- 整体看都很不错,可惜和后板插头连接线看起来有点别扭,刻意的线整形显得土气,为什么不在电路板下走好线?
·
(作者:li 时间:2002-10-23 11:53:48)- 至于声音嘛“仁者见仁,智者见智”。
-
·
雨中曲
(作者:赵子 时间: 点击数: 106)
- 收藏
-
今天醒的特别晚,平时6点半起床的我醒来已经快7点半了,原来外面一直飘着雨。
在路上,行驶着各种车辆,应该说现在开车的人已经一部分是私家车,开车的人来自各种阶层,但是在大量积水的马路上他们肯定感觉是在宽阔平坦的海洋上戴着太阳镜驾驶气垫船飞驶,晶莹的水花向两边散去,路边的行人、骑车人都是海上各色的岩石,水花撒到他们身上也算是滋润吧。
路上的很多行人似乎走路慢慢悠悠,但是他们加速向前,是上班迟到了吧,不是,是十字路口的绿灯正在转黄,平时人不多的路口突然蜂拥而上,顶着雨,顶着红灯傲然向前,不满的喇叭声就是前进的号角,过了马路后,速度又转为一挡,不知道他们冒着危险抢的这几秒钟是为了什么,走了几步就消耗在极慢的节奏中,似雨中散步。
